
注:立柱式下进线,进线螺纹规格为3/4
note:Pillar base in bottom inlet, the standard of the inlet thread is 3/4
| 按钮部分含义 Button implication | 仪表部分含义 Meter implication |
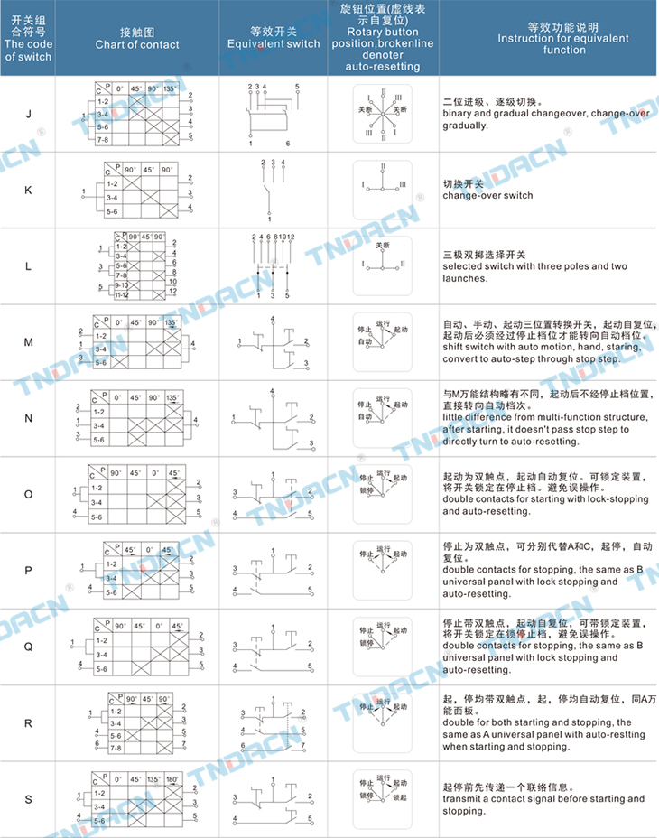
| 指示灯部分含义 Indicator implication | 开关部分含义 Switch implication |
主要技术参数 Main technicl parameters
| 额定电压 Rated voltage (V) |
额定电流 Rated current (A) |
使用类别 Description |
电缆外径 Cable outer dia |
| 220/380 |
10,16 | AC-3 AC-4 |
φ8~φ38 |
| 防爆标志 Ex-mark |
防护等级 Degree of protection |
进出线口螺纹 Inlet/outlet thread |
| Exed ⅡCT4/T5/T6 等效于 Ⅱ2G ExedⅡCT4/T5/T6 (欧标) DIP A20 TA,T6 等效于 Ⅱ1D Ex tD A20 T6(欧标) |
IP65,IP66* | G1/2"~G2" M16~M63 |
*.要求IP66,需注明。 IP66 requirements must be marked
内装防爆元件 Built-in explosion-proof components
防爆电缆夹紧密封接头 Explosion-proof cable clamping sealing connector
| 管螺纹 Pipe thread |
管通径(mm) Pipe diameter (mm) |
电缆外径(mm) Cable outer dia. (mm) |
| 15 20 25 32 40 50 |
φ7~φ10 φ10~φ14 φ14~φ18 φ15~φ23 φ18~φ30 φ25~φ38 |
| 管螺纹规格 Pipe thread specification |
螺纹 Thread |
电缆外径(mm) Cable outer dia. (mm) |
| M16×1.5 M20×1.5 M25×1.5 M32×1.5 M40×1.5 M50×1.5 M63×1.5 |
φ5~φ8 φ6~φ12 φ9~φ13 φ10~φ18 φ17~φ25 φ23~φ32 φ32~φ44 |
*.要求公制螺纹需说明 Explain if asked for metric thread
外形及安装尺寸 Outline & installation dimensions
外形及安装尺寸 Outline & installation dimensions
Phone
0086-577-57578881
Phone